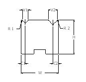
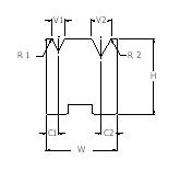
Bottom Tools/Dies - Twin Vee
MATRICI - DIES - MATRIZEN - 2V / 90°

| MOD | A | V1 | V2 | R1 | R2 | C1 | C2 | W | H | T/M |
| 121.90 HR | 121.90 TH | 90° | 4 | 7 | 0,4 | 0,4 | 3,5 | 5 | 50 | 26 | 60 |
| 123.90 HR | 123.90 TH | 90° | 6 | 10 | 0,4 | 0,6 | 4,5 | 6,5 | 50 | 26 | 70 |
| 124.90 HR | 124.90 TH | 90° | 8 | 12 | 0,5 | 0,5 | 6,5 | 7,5 | 50 | 26 | 80 |
| 125.90 HR | 125.90 TH | 90° | 14 | 18 | 0,5 | 0,5 | 8,5 | 10,5 | 50 | 26 | 100 |
| 311.90 HR | 311.90 TH | 90° | 6 | 10 | 1,5 | 2,5 | 6 | 10 | 55 | 26 | 80 |

| MOD | A | V1 | V2 | R1 | R2 | C1 | C2 | W | H | T/M |
| 30140.90 HR | 30140.90 TH | 90° | 4 | 7 | 0,4 | 0,4 | 3,5 | 5 | 50 | 46 | 60 |
| 30240.90 HR | 30240.90 TH | 90° | 6 | 10 | 0,4 | 0,6 | 4,5 | 6,5 | 50 | 46 | 70 |
| 30340.90 HR | 30340.90 TH | 90° | 8 | 12 | 0,5 | 0,5 | 6,5 | 7,5 | 50 | 46 | 80 |
| 30440.90 HR | 30440.90 TH | 90° | 14 | 18 | 0,5 | 0,5 | 8,5 | 10,5 | 50 | 46 | 100 |
| 31146.90 HR | 31146.90 TH | 90° | 6 | 10 | 1,5 | 2,5 | 6 | 10 | 55 | 46 | 80 |

| MOD | A | V1 | V2 | R1 | R2 | C1 | C2 | W | H | T/M |
| 2012.90 IH | 90° | 6 | 10 | 0,4 | 0,6 | 6,0 | 10 | 55 | 26 | 100 |
| 2013.90 IH | 90° | 8 | 12 | 0,5 | 0,8 | 8,0 | 10 | 55 | 26 | 100 |

| MOD | A | V1 | V2 | R1 | R2 | C1 | C2 | W | H | T/M |
| 501.90 HR | 501.90 TH | 90° | 4 | 7 | 0,4 | 0,4 | 3,5 | 5 | 34.5 | 46 | 60 |
| 502.90 HR | 502.90 TH | 90° | 6 | 10 | 0,4 | 0,6 | 4,5 | 6,5 | 37 | 46 | 70 |
| 503.90 HR | 503.90 TH | 90° | 8 | 12 | 0,5 | 0,5 | 6,5 | 7,5 | 39 | 46 | 80 |
| 504.90 HR | 504.90 TH | 90° | 14 | 18 | 0,5 | 0,5 | 8,5 | 10,5 | 45 | 46 | 100 |
| 511.90 HR | 511.90 TH | 90° | 6 | 10 | 1,5 | 2,5 | 6 | 10 | 40 | 46 | 80 |
MATRICI - DIES - MATRIZEN - 2V / 88°

| MOD | A | V1 | V2 | R1 | R2 | C1 | C2 | W | H | T/M |
| 121.88 HR | 121.88 TH | 88° | 4 | 7 | 0,4 | 0,4 | 3,5 | 5 | 50 | 26 | 60 |
| 123.88 HR | 123.88 TH | 88° | 6 | 10 | 0,4 | 0,6 | 4,5 | 6,5 | 50 | 26 | 70 |
| 124.88 HR | 124.88 TH | 88° | 8 | 12 | 0,5 | 0,5 | 6,5 | 7,5 | 50 | 26 | 80 |
| 125.88 HR | 125.88 TH | 88° | 14 | 18 | 0,5 | 0,5 | 8,5 | 10,5 | 50 | 26 | 100 |
| 126.88 HR | 126.88 TH | 88° | 12 | 20 | 0,5 | 0,5 | 7,5 | 12 | 50 | 26 | 100 |
| 127.88 HR | 127.88 TH | 88° | 16 | 25 | 0,5 | 0,5 | 10 | 15 | 50 | 26 | 100 |
| 311.88 HR | 311.88 TH | 88° | 6 | 10 | 1,5 | 2,5 | 6 | 10 | 55 | 26 | 80 |
| 314.88 HR | 314.88 TH | 88° | 12 | 20 | 3 | 5 | 10 | 15 | 55 | 26 | 100 |

| MOD | A | V1 | V2 | R1 | R2 | C1 | C2 | W | H | T/M |
| 30140.88 HR | 30140.88 TH | 88° | 4 | 7 | 0,4 | 0,4 | 3,5 | 5 | 50 | 46 | 60 |
| 30240.88 HR | 30240.88 TH | 88° | 6 | 10 | 0,4 | 0,6 | 4,5 | 6,5 | 50 | 46 | 70 |
| 30340.88 HR | 30340.88 TH | 88° | 8 | 12 | 0,5 | 0,5 | 6,5 | 7,5 | 50 | 46 | 80 |
| 30440.88 HR | 30440.88 TH | 88° | 14 | 18 | 0,5 | 0,5 | 8,5 | 10,5 | 50 | 46 | 100 |
| 30540.88 HR | 30540.88 TH | 88° | 12 | 20 | 0,5 | 0,5 | 7,5 | 12 | 50 | 46 | 100 |
| 30640.88 HR | 30640.88 TH | 88° | 16 | 25 | 0,5 | 0,5 | 10 | 15 | 50 | 46 | 100 |
| 31146.88 HR | 31146.88 TH | 88° | 6 | 10 | 1,5 | 2,5 | 6 | 10 | 55 | 46 | 80 |
| 31440.88 HR | 31440.88 TH | 88° | 12 | 20 | 3 | 5 | 10 | 15 | 55 | 46 | 100 |

| MOD | A | V1 | V2 | R1 | R2 | C1 | C2 | W | H | T/M |
| 2014.88 IH | 88° | 12 | 20 | 2,75 | 3 | 10 | 15 | 55 | 26 | 100 |
| 2015.88 IH | 88° | 16 | 25 | 2,75 | 3 | 12 | 16,5 | 55 | 26 | 100 |

| MOD | A | V1 | V2 | R1 | R2 | C1 | C2 | W | H | T/M |
| 501.88 HR | 501.88 TH | 88° | 4 | 7 | 0,4 | 0,4 | 3,5 | 5 | 34.5 | 46 | 60 |
| 502.88 HR | 502.88 TH | 88° | 6 | 10 | 0,4 | 0,6 | 4,5 | 6,5 | 37 | 46 | 70 |
| 503.88 HR | 503.88 TH | 88° | 8 | 12 | 0,5 | 0,5 | 6,5 | 7,5 | 39 | 46 | 80 |
| 504.88 HR | 504.88 TH | 88° | 14 | 18 | 0,5 | 0,5 | 8,5 | 10,5 | 45 | 46 | 100 |
| 505.88 HR | 505.88 TH | 88° | 12 | 20 | 0,5 | 0,5 | 7,5 | 12 | 45,5 | 46 | 100 |
| 506.88 HR | 506.88 TH | 88° | 16 | 25 | 0,5 | 0,5 | 10 | 15 | 50 | 46 | 100 |
| 507.88 HR | 507.88 TH | 88° | 6 | 10 | 1,5 | 2,5 | 6 | 10 | 40 | 46 | 80 |
| 508.88 HR | 508.88 TH | 88° | 12 | 20 | 3 | 5 | 10 | 15 | 50 | 46 | 100 |
MATRICI - DIES - MATRIZEN - 2V / 60°

| MOD | A | V1 | V2 | R1 | R2 | C1 | C2 | W | H | T/M |
| 2012.60 IH | 60° | 6 | 10 | 0,4 | 0,6 | 6 | 10 | 55 | 26 | 100 |
| 2013.60 IH | 60° | 8 | 12 | 0,5 | 0,8 | 8 | 10 | 55 | 26 | 100 |
| 2014.60 IH | 60° | 12 | 20 | 1,6 | 2 | 12 | 15 | 55 | 26 | 100 |

| MOD | A | V1 | V2 | R1 | R2 | C1 | C2 | W | H | T/M |
| 502.60 HR | 502.60 TH | 60° | 6 | 10 | 0,6 | 1 | 6 | 10 | 41 | 46 | 60 |
| 503.60 HR | 503.60 TH | 60° | 8 | 12 | 0,8 | 1,2 | 8 | 10 | 43 | 46 | 60 |
| 506.60 HR | 506.60 TH | 60° | 16 | 25 | 1,6 | 2,5 | 12 | 15 | 55 | 46 | 60 |
MATRICI - DIES - MATRIZEN - 2V / 30°

| MOD | A | V1 | V2 | R1 | R2 | C1 | C2 | W | H | T/M |
| 337.30 IH | 30° | 8 | 12 | 1 | 1 | 14,5 | 18 | 60 | 38 | 30 |

| MOD | A | V1 | V2 | R1 | R2 | C1 | C2 | W | H | T/M |
| 33756.30 HR | 33756.30 TH | 30° | 6 | 10 | 1 | 1 | 9 | 15 | 41 | 46 | 30 |
33758.30 HR | 33758.30 TH |
30° | 8 | 12 | 1 | 1 | 14,5 | 18 | 55 | 46 | 30 |
We can supply a complete range of Pressbrake Tools for all machines that use the standard Euro fixings, these include Pressbrake machines from;
Adira,
AFM,
Ajail,
Amada,
Baykal,
Carter,
CMU,
Cressex,
Dener,
Dener,
Durma,
Durmazlar,
Edwards Pearson,
Elga,
Ermak,
Ermaksan,
Gasparini,
Guifil,
Haco,
Imai,
Jean Perrot,
Jordi,
K&B,
Kingsland,
Mantech,
Mebusa,
Mecos,
Megobal,
Megoform,
Morgan Rushworth,
Promecam,
Rico,
Safan,
Shemach,
Warcom,
YSD
